Taras i ogród to dziś coś więcej niż przestrzeń wokół domu. To miejsca odpoczynku, spotkań i codziennego komfortu, z których chcemy korzystać jak najczęściej. Właśnie dlatego coraz większym zainteresowaniem cieszą się pergole nowej generacji – estetyczne, funkcjonalne i dopasowane do współczesnego stylu życia. To rozwiązanie, które pozwala stworzyć wygodną strefę relaksu tuż przy domu i lepiej wykorzystać potencjał przestrzeni zewnętrznej.













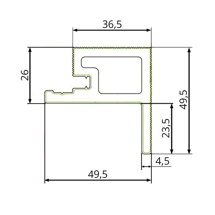
Listwa Kompozytowa Lamelowa typu F Premium Redwood 36,5 x 49,5 mm – dł. 2,9 m
Opis
Listwa startowo-zakończeniowa do lameli elewacyjnych kompozytowych stanowi kluczowy element wykończeniowy w systemie elewacji lamelowej, zapewniając estetyczne i funkcjonalne zakończenie elewacji z lameli. Montaż listwy jest prosty i szybki, co znacząco skraca czas potrzebny na zakończenie prac elewacyjnych. Zewnętrzna powłoka polimerowa, która otacza listwę ze wszystkich stron, chroni ją przed plamami i utratą koloru. Razem z lamelami i pozostałymi listwami lamelowymi tworzą spójną i estetyczną całość.
Cechy
- Naturalny wygląd
- Łatwy montaż
- Bezobsługowość – deska nie wymaga konserwacji
- Odporność na działanie insektów, pleśni i grzybów
- Nie ulegają procesom gnicia i butwienia
Rekomendowane wkręty montażowe do legarów kompozytowych:
Rekomendowane wkręty montażowe do legarów aluminiowych:
Uwaga! Cieniowanie koloru oraz ryflowanie / szczotkowanie listew systemowych i listew kątowych różni się od wykończenia lameli elewacyjnych.
Prezentowane kolory na stronach internetowych oraz w katalogu papierowym mogą się różnić w zależności od monitora oraz od aktualnej partii towaru, różnica odcieni jest naturalną cechą kompozytu. Jeśli mają Państwo jakieś pytania, prosimy o kontakt.


Parametry
| Profil | 36,5 x 49,5 mm |
|---|---|
| Rodzaj | Listwa lamelowa typu F (Startowo-zakończeniowa) |
| Z powłoką polimerową | Tak |
| Struktura | Deseń drewna |
| Długość | 290 cm |
| Przeznaczenie | Do lameli Premium |
| Kolor | Redwood |
| Materiał | Kompozyt WPC |
Montaż i dokumenty
Listwę typu F jako startową przykręca się bezpośrednio do legara po wcześniejszym nawierceniu otworu wiertłem do metalu Ø3 mm.


Przy zastosowaniu jako listwy zakończeniowej montuje się ją razem z listwą łączeniową od strony wpustu, a całość mocuje wkrętem (po uprzednim nawierceniu i sfrezowaniu otworu) między listwą F a listwą łączeniową.


Zapytaj o produkt
Masz pytanie o ten produkt?
Napisz do nas — chętnie pomożemy i odpowiemy na wszystkie Twoje wątpliwości.









